P2110: Throttle Actuator Control System - Forced Limited RPM
Is your scanner showing P2110?
No worries. We'll show you what it means and how to deal with it.
P2110: Throttle Actuator Control System - Forced Limited RPM
OVERVIEWWhat Does The P2110 Code Mean?
This generic powertrain diagnostic trouble code (DTC) typically applies to all OBD-II equipped vehicles that use a drive-by-wire throttle control system including but not limited to vehicles from Ford, Dodge Ram, Kia, Jeep, Chrysler, Mazda, Chevy, etc.
The P2110 OBD-II trouble code is one of number of possible codes that indicates that the Powertrain Control Module (PCM) has detected a malfunction and is limiting the operation of the Throttle Actuator Control System
This situation is known as activating a fail-safe or limp mode to prevent the engine from accelerating until this malfunction is corrected and the associated code is cleared. There are four codes that are referred to as force codes and they are P2104, P2105, P2106
The PCM sets these when other codes are present that indicate an issue that may be safety related or cause damage to the engine or drivetrain components if not corrected in a timely manner.
Code P2110 is set by the PCM to force the Throttle Actuator Control System to limit the RPM of the engine.
This code can be related to a Throttle Actuator Control System malfunction, but normally another issue is setting this code. Trouble code P2110 is triggered by the PCM when it receives an abnormal signal from various components. The Throttle Actuator Control System is duty cycle controlled by the PCM and the function of the system is limited when other fault codes are detected.

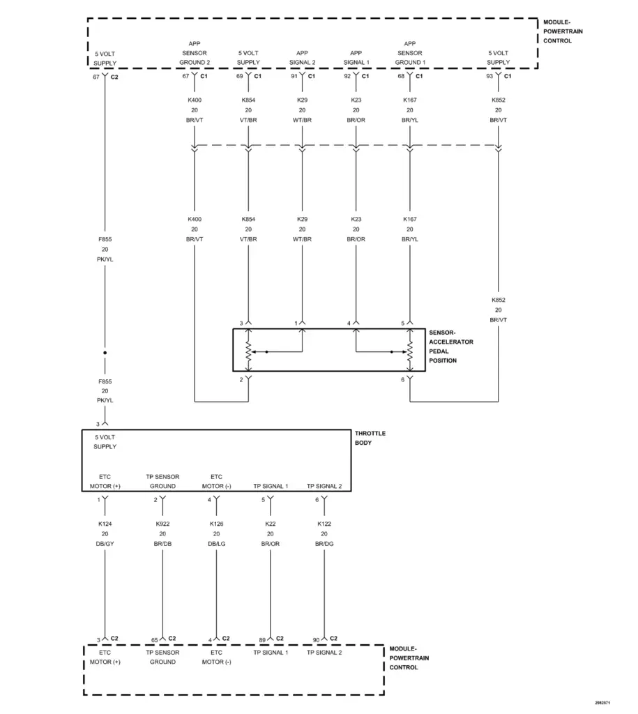
P2110 wiring diagram
What Are The Symptoms Of The P2110 Code?
Symptoms of a P2110 trouble code may include:
- Engine will not start
- Little or no throttle response
- Check Engine Light illuminated
- ABS Light illuminated
- Automatic transmission will not shift
- Additional codes are present
What Are The Potential Causes Of The P2110 Code?
The most common situations that set this code and place the engine in fail-safe or limp mode to indicate an issue and act as a red flag are:
- Engine Overheating
- Coolant Leaks
- EGR Valve Malfunction
- Mass Air Flow Sensor Malfunction
- Drive Axle Modifications
- ABS, Traction Control or Stability Control Failures
- Automatic Transmission Problems
- Abnormal System Voltages
How Serious Is This P2110 Code?
The severity of this code can be moderate to severe based on the specific malfunction.
How Can You Fix The P2110 Code?
The first step in the troubleshooting process for any malfunction is to research the Technical Service Bulletins (TSB’s) for the specific vehicle by year, model and power plant. In some circumstances this can save a lot of time in the long run by pointing you in the right direction.
The second step for this code is to complete a PCM scan to identify other trouble codes. This code is an informational code and in most circumstances this code’s function is to alert a driver that the PCM has initiated a fail-safe mode because of a malfunction or failure in a system that is not directly related to the Throttle Control Actuator.
If other codes are identified you should check for TSB’s related to the specific vehicle and that code. If a TSB has not been generated you should follow the specific troubleshooting steps for that code to pinpoint the source of the malfunction that the PCM is detecting to put the engine in fail-safe or limp mode.
Once all other codes have been cleared or if no other codes are detected, if the Throttle Control Actuator code still exists the PCM and Throttle Control Actuator should be evaluated. All wiring and connections should be visually inspected for obvious defects as a starting point.
Common Mistake
Replacing the Throttle Control Actuator or PCM when other malfunctions are setting this code.
Rare Repair
Replace Throttle Actuator Control
Hopefully, the information in this article has been helpful to point you in the right direction to correct the problem with your Throttle Actuator Control System force code. This article is strictly informational and the specific technical data and service bulletins for your vehicle should always take priority.
Recommended Parts
Below are some recommended auto parts to help you address the trouble code affecting your vehicle and get it running smoothly again:
Note: During the purchasing process, please check carefully whether the part you want to buy fits your car!
Check This Video For Reference
Reference Sources
P2110 Throttle Actuator Control System – Forced Limited RPM, OBD-Codes.
