P0560: System Voltage Malfunction
Is your scanner showing P0560?
No worries. We'll show you what it means and how to deal with it.
P0560: System Voltage Malfunction
OVERVIEWWhat Does The P0560 Code Mean?
The PCM controls the charging system to a certain extent on these vehicles. The PCM can control the charging system by controlling a power or a ground circuit to the voltage regulator inside the alternator.
The Powertrain Control Module (PCM) monitors the ignition feed circuit to determine if the charging system is working. If the voltage is too high or too low, a fault code will be set. If the voltage is not present when it should be, a fault code will be set. This is strictly an electrical issue.
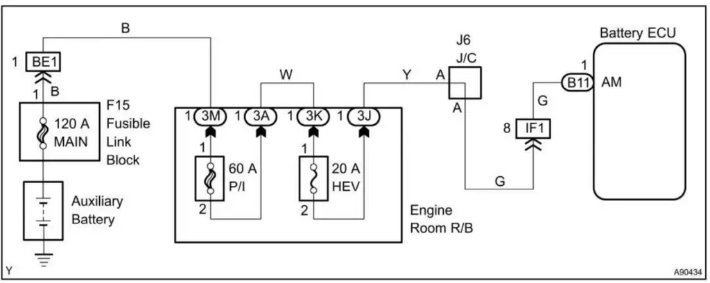
Troubleshooting steps may vary depending upon manufacturer, type of charging system control and wire colors.

P0560 wiring diagram
What Are The Symptoms Of The P0560 Code?
Symptoms of a P0560 engine code may include:
- Malfunction Indicator Light On
- Red battery light On
- Transmission may not shift
- Engine may not start or if it does start, may stall out and die
- Lower fuel economy
What Are The Potential Causes Of The P0560 Code?
Potential causes for this code to set are:
- High resistance in the cable between the alternator and battery – possible
- High resistance/open circuit between the alternator and the control module – possible
- Alternator faulty – most common
- Failed PCM – unlikely
How Can You Fix The P0560 Code?
Check For Technical Service Bulletins
A good starting point is always to check for technical service bulletins (TSB) for your particular vehicle. Your issue may be a known issue with a known fix put out by the manufacturer and can save you time and money during diagnosis.
Check The Charging System
The most common cause for this code is low battery voltage/a battery that was disconnected/charging system malfunction (faulty alternator). While we are on the subject, let’s not forget to check the most neglected part of the charging system, the alternator belt!
First, check the charging system. Start the vehicle. Turn the headlights on and blower fan to High speed to load the electrical system. Using a Digital Volt Ohm Meter (DVOM), check voltage at the battery. It should be between 13.2 volts and 14.7 volts.
If the voltage is well below 12 volts or above 15.5 volts, diagnose the charging system, with the main emphasis being on the alternator.
If unsure, have the battery, starting and charging system tested at a local parts store / auto repair shop. Most will perform this service for a small charge, if not for free, and will usually give you a printout of the test results.
If the voltage was correct, and you have a scan tool, clear the diagnostic trouble codes from memory, and see if this code returns. If it does not, more than likely this code is either intermittent or is a history/memory code and no further diagnosis is required.
If the P0560 code does return, locate the PCM on your particular vehicle. Once located, visually inspect the connectors and wiring. Look for scraping, rubbing, bare wires, burn spots or melted plastic. Pull the connectors apart and carefully inspect the terminals (the metal parts) inside the connectors.
See if they look burned or have a green tint indicating corrosion. Use electrical contact cleaner and a plastic bristle brush if cleaning of the terminals is needed. Let dry and apply electrical grease where the terminals contact.
Clear The Diagnostic Trouble Codes
Next, clear the diagnostic trouble codes from memory with the scan tool, and see if this code returns. If it does not, then the connections were most likely your problem.
Check The Voltages To The PCM
If the P0560 code does return, we will need to check the voltages to the PCM. First, disconnect the negative battery cable at the battery.
Next, disconnect the harness going to the PCM. Reconnect the battery cable. Turn the ignition switch on. With a DVOM, test the PCM ignition feed circuit (Red lead to the PCM ignition feed circuit, black lead to a good ground). If there is less than battery volts on this circuit, repair the wiring from the PCM to the ignition switch.
If that’s OK, check to make sure you have a good ground at the PCM. Connect a test light to 12V battery positive (red terminal) and touch the other end of the test light to the ground circuit going to the PCM ignition feed circuit ground. If the test light does not light up, this would indicate the problem circuit. If it does light up, wiggle the wiring harness going to the PCM to see if the test light flickers, indicating an intermittent connection.
If all prior tests have passed and you continue to get a P0560, this would most likely indicate a failed PCM. If unsure, seek assistance from a trained automotive diagnostician. PCMs must be programmed, or calibrated to the vehicle in order to be installed correctly.
Recommended Parts
Below are some recommended auto parts to help you address the trouble code affecting your vehicle and get it running smoothly again:
>>> Alternator
>>> WORKPRO 582-piece Crimp Terminals, Wire Connectors, Heat Shrink Tube, Electrical Repair Kit
>>> Dorman 86689C 399 PC Automotive Electrical Repair Kit
>>> ECU
>>> KAIWEETS Digital Multimeter
Note: During the purchasing process, please check carefully whether the part you want to buy fits your car!
Reference Sources
HYBRID BATTERY CONTROL SERVICE MANUAL for P0560 – Pages 31-34.
