P0510: Closed Throttle Position Switch Malfunction
Is your scanner showing P0510?
						No worries. We'll show you what it means and how to deal with it.
P0510: Closed Throttle Position Switch Malfunction
OVERVIEWWhat Does The P0510 Code Mean?
The throttle body or linkage on certain vehicles may contain a switch that indicates to the Powertrain Control Module (PCM) or Engine Control Module (ECM) when the throttle body is in the closed position. When the throttle body is shut, the switch will be depressed or in the closed position. The PCM uses this switch so the engine will stay at idle in conjunction with the idle air control valve and/or go into a fuel cut mode while coasting.
There may also be a Wide Open Throttle (WOT) switch. If either the WOT or closed throttle switch are not engaged, the PCM or ECM may assume the throttle is partly open which could affect the air/fuel ratio.
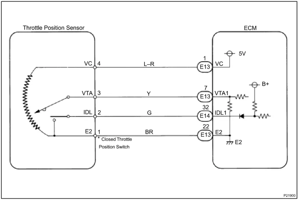
Note: If more than one trouble code is present, such as P0120 (TPS/Pedal Position Sensor A circuit Malfunction) – there may be an open in the ground circuit or bad connection at the Throttle Position Sensor TPS).

P0510 wiring diagram
What Are The Symptoms Of The P0510 Code?
Symptoms of a P0510 DTC will include illumination of the Malfunction Indicator Lamp (MIL), you will likely not notice any other symptoms.
What Are The Potential Causes Of The P0510 Code?
Potential causes of a P0510 code include:
- Wiring harness open circuit or loose/dirty connection
- Faulty closed throttle position switch
- Throttle body idle set screw tampered with
- Faulty ECM
How Can You Fix The P0510 Code?
Inspect wiring harness
Disconnect wiring harness connector at Throttle Position Sensor (TPS) or closed throttle position switch and harness connector at PCM/ECM. Using a Digital Volt Ohm Meter (DVOM) set to ohms scale, connect leads to each end of the same wire using a wiring diagram for reference to test for continuity between the switch and the PCM/ECM. Resistance should be present in the wiring between the switch and PCM/ECM, an infinite reading would indicate an open circuit. Repair open in wiring or replace wire harness assembly.
Check closed throttle position switch
Disconnect wiring harness connector at TPS or closed throttle position switch and test for continuity using the DVOM with the leads on the two pins at the closed throttle position switch or the throttle position sensor, depending on the vehicle. Resistance should be present when the throttle body is in the closed position. If the throttle body linkage is not touching or fully closing switch, there may have been an adjustment made to the idle set screw. Re-adjust idle set screw to specifications using factory procedure.
Recommended Parts
Below are some recommended auto parts to help you address the trouble code affecting your vehicle and get it running smoothly again:
>>> Twippo 372Pcs Waterproof Wire Connectors Kit
>>> ECU
>>> KAIWEETS Digital Multimeter
Note: During the purchasing process, please check carefully whether the part you want to buy fits your car!
Reference Sources
P0510 Closed Throttle Position Switch Malfunction, OBD-Codes.

 
										 
										 
										