P0504: Brake Switch A/B Correlation
Is your scanner showing P0504?
No worries. We'll show you what it means and how to deal with it.
P0504: Brake Switch A/B Correlation
OVERVIEWWhat Does The P0504 Code Mean?
Your vehicle’s powertrain control module (PCM) has set this P0504 code in response to a recognized failure in the brake light circuit. The vehicle’s computer monitors all circuits for abnormalities such as lack of voltage or an out of range condition.
The brake light switch is tied into several circuits all of which can result in a hazardous situation. The brake switch itself consists of two signal outputs and if there is a malfunction in the switch, it is detected and sets this code. This is not an expensive proposition in terms of the cost of the part or the labor involved in the replacement. The safety factor demands a repair as soon as possible.

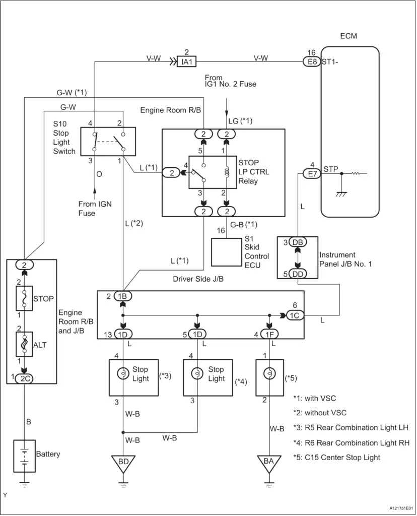
P0504 wiring diagram
What Are The Symptoms Of The P0504 Code?
- The brake lights will either be illuminated continuously or fail to illuminate as the pedal is depressed
- It will be difficult or impossible to shift out of park
- The vehicle may stall when the brakes are depressed while a cruising speeds
- The cruise control will not activate
What Are The Potential Causes Of The P0504 Code?
There are several components in this circuit, any of which is capable of compromising the circuit sufficiently to set this code.
- The most common is the brake light switch whose failure is due to wear.
- The brake light fuse will fail at times due to moisture in the circuit or burning out the brake light.
- Brake light bulb failure is another cause many times due to water infiltrating into the lens.
- The wiring harness, more specifically the connectors are loose or pushed out pins will cause a correlation problem between the switch and PCM.
- Lastly, the PCM itself could have failed.
How Can You Fix The P0504 Code?
The brake light switch is located under the dash at the top of the brake pedal arm. The brake booster lifts the pedal to its fully extended position. The brake light switch is mounted on a cross-beam support brace directly behind the brake pedal mounting bracket. The only method to access the switch is to move the front seat rearward, lay on your back, and look up under the dash. You will see a bracket housing a switch near the top of the brake pedal arm. The switch will have four or six wires.
The switch rests in the bracket so that its activating rod is in contact with the brake pedal arm when the pedal is fully extended. At this point the switch is depressed by the brake pedal arm cutting off the current. When the brake pedal is depressed, the arm extends turning the switch on and activating the brake lights. When the pedal is released, the arm again depresses the rod turning off the brake lights.
Diagnostic Steps
- Have a helper check the brake lights. Make sure they operate by cycling them on and off and that the bulbs are good.
- If the brake lights are on continuously the brake light switch is either improperly adjusted or faulty. The same applies if they fail to operate. Move the driver’s seat back and look under the dash. Squeeze the tabs on the electrical connector located on the brake light switch and pull off the connector.
- With the voltmeter check the voltage on the red wire in the connector. Place the black lead on any good ground and the red lead into the red wire terminal. You should have 12 volts, if not check the wiring to the fuse block.
- Plug the connector into the switch and backprobe the white wire with the pedal depressed. You should have 12 volts with the pedal depressed and no voltage with the pedal extended. If there is no voltage replace the brake light switch. If voltage exists at the white wire with the pedal extended replace the switch.
- If the switch is of the adjustable category, check the adjustment. The switch must be in good contact with the pedal arm and fully depressed.
- If the brake lights function properly yet you still have the code, heck the remaining wires on the brake light switch. Remove the connector and probe the remaining wires for power. Make note of the location of the power wire and replace the connector. Back robe the wire adjacent to the power wire with the pedal depressed. If there is no power replace the switch.
- If the last test had power as the pedal was depressed the switch is good. The problem exists in the wiring to the computer or with the computer itself.
- Locate the computer and back probe STP terminal on the computer to ground. If 12 volts is displayed on the voltmeter the computer is bad. If there was little or no voltage replace or repair the harness from the computer to the switch.
Additional Notes
Please be aware that some vehicles are equipped with driver side knee airbags. So be cautious when working around air bags.
Recommended Parts
Below are some recommended auto parts to help you address the trouble code affecting your vehicle and get it running smoothly again:
>>> Brake Light Switch
>>> SYLVANIA - 3157NA Long Life Miniature - Amber Bulb
>>> Twippo 372Pcs Waterproof Wire Connectors Kit
>>> ECU
Note: During the purchasing process, please check carefully whether the part you want to buy fits your car!
Check This Video For Reference
Reference Sources
Diagnostic Trouble Code (DTC) Charts and Descriptions for P0504 – Page 79.
