P0298: Engine Oil Over Temperature Condition
Is your scanner showing P0298?
No worries. We'll show you what it means and how to deal with it.
P0298: Engine Oil Over Temperature Condition
OVERVIEWWhat Does The P0298 Code Mean?
A stored code P0298 indicates that the powertrain control module (PCM) has detected an engine oil temperature that is higher than acceptable. The conditions which contribute to a code of this nature being stored may be electrical or mechanical.
Not every vehicle is equipped with a system that monitors oil temperature. Personally, I have only encountered oil temperature monitoring systems on diesel applications. Engine oil temperature sensors are typically negative coefficient thermistors which decrease circuit resistance as oil temperature is elevated. The oil temperature monitoring circuit begins with a reference voltage signal (usually 5-volts), applied to the sensor. When engine oil is at or near ambient temperature, oil temperature sensor resistance is high and that keeps oil temperature sensor circuit voltage low (normally near .5-volts).
As oil temperature increases, and sensor resistance decreases, circuit voltage becomes greater. The PCM is programmed to recognize these variations in sensor circuit voltage as varying degrees of oil temperature. In some cases, the engine oil temperature sensor also provides an engine oil temperature gauge with an electrical signal that is displayed on the instrument panel for driver convenience.
If the PCM detects a level of engine oil temperature sensor circuit voltage that is not within the programmed parameters, a code P0298 will be stored and a malfunction indicator lamp may be illuminated.
This code belongs in the P0200-P02FF batch of diagnostic codes. Related engine oil temperature sensor codes include P0195, P0196, P0197, P0198, and P0199.

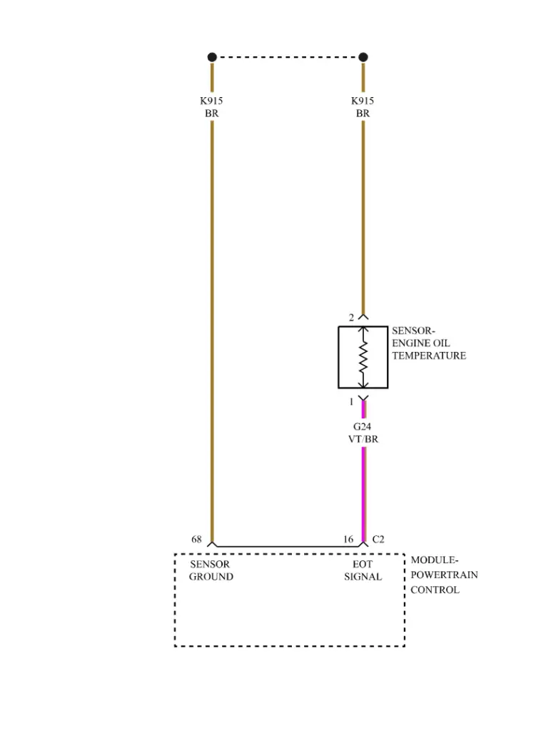
P0298 wiring diagram
What Are The Symptoms Of The P0298 Code?
Symptoms of a P0298 engine code may include:
- Unusual engine noises and/or smells
- Engine coolant leaks
- Diminished engine performance
- Engine cooling system codes
What Are The Potential Causes Of The P0298 Code?
Possible causes for this P0298 code may include:
- An engine cooling system condition that has resulted in engine overheating
- Defective engine oil temperature sensor
- Open or shorted circuit
- Corroded wiring and/or connectors
- Low oil level
How Serious Is This P0298 Code?
A stored code P0298 should be considered urgent and diagnosed as soon as possible. The engine should not be operated until the conditions for causing this code to be stored are rectified.
How Can You Fix The P0298 Code?
Before attempting to diagnose a code P0298, I would need a diagnostic scanner, a digital volt/ohmmeter (DVOM), and a reliable vehicle information source. While it is always a good idea to visually inspect system wiring and connectors prior to beginning your diagnosis in this case, it is most important that you make sure that the engine is full (to the appropriate limit and with the correct type) of good quality oil and engine coolant.
A note about overheating
Engine overheating is the leading cause of oil over temp conditions. Engine overheating may be the result of a coolant leak, a bad thermostat, cylinder head (or gasket) malfunctions, or an air flow problem. Make sure that the engine cooling system is filled with coolant and that all of the fans are operating as intended. If the engine cooling system is more than a half-gallon low, locate the source of the coolant leak and repair it.
With the engine cooling system filled with the proper coolant and working normally and the crankcase properly filled with oil, connect the scanner to the vehicle diagnostic connector and retrieve all stored codes and freeze frame data. Having this information written down can be helpful as your diagnosis proceeds. After you have made a note of all stored codes and related data, clear the codes and operate the vehicle to see if the P0298 is reset.
If the engine is not overheating:
- And the engine oil temperature sensor code fails to reset, continue to operate the vehicle normally until the PCM enters readiness mode or the code is reset. If the PCM enters readiness mode; your problems are solved. If the code is reset; a malfunction persists.
- And the P0298 is reset, unplug the engine oil temperature sensor connector and use the DVOM to check for a reference voltage signal and a ground at the connector.
Testing
- If there is a reference voltage signal and ground present, use the DVOM and the vehicle information source to test sensor resistance. Replace the sensor if it fails to conform to specifications.
- If there is no reference voltage at the sensor connector, locate the corresponding circuit at the PCM connector and use the DVOM to test for reference voltage there. If there is reference voltage at the PCM and none at the engine oil temp sensor, suspect a broken or shorted wire between the two.
- If there is no reference voltage at the PCM connector, suspect a defective PCM or programming error.
- If there is no ground at either the PCM connector or the engine oil temperature sensor connector, locate the appropriate ground junction and ensure that it is secure. A new ground can be added in a worst case scenario.
- Attempting to diagnose an overheating engine with a stored code P0289 is an effort in futility.
Recommended Parts
Below are some recommended auto parts to help you address the trouble code affecting your vehicle and get it running smoothly again:
>>> Engine Oil
>>> Engine Oil Temperature Sensor For 2014-2017, 2019-2020 Ram
>>> Twippo 372Pcs Waterproof Wire Connectors Kit
>>> Autel Scanner MaxiCOM MK808S
>>> KAIWEETS Digital Multimeter
Note: During the purchasing process, please check carefully whether the part you want to buy fits your car!
Reference Sources
Diagnostic Trouble Code (DTC) Charts and Descriptions for P0298 – Page 56.
