P0198: Engine Oil Temperature Sensor High
Is your scanner showing P0198?
No worries. We'll show you what it means and how to deal with it.
P0198: Engine Oil Temperature Sensor High
OVERVIEWWhat Does The P0198 Code Mean?
This diagnostic trouble code (DTC) is a generic powertrain code, which means that it applies to OBD-II equipped vehicles that have an engine oil temperature sensor (Ford Powerstroke, Chevrolet Duramax, VW, Nissan, Dodge, Jeep, Audi, etc.). Although generic, the exact repair steps may vary depending on make/model.
The engine oil temperature (EOT) sensor produces a signal that is used by the powertrain control module (PCM) to calculate fuel quality, injection timing and glow plug operation. The EOT signal is also compared to other temperature sensors such as the intake air temperature (IAT) sensor and engine coolant temperature (ECT) sensor for diagnostic purposes. EOT sensors are often found in diesel applications.
EOT sensors receive a reference voltage (usually 5 volts) from the PCM. They then vary their internal resistance in relation to engine oil temperature to send a return voltage signal to the PCM. EOT sensors are a type of negative temperature coefficient (NTC) thermistor. This means internal resistance of the sensor is inversely proportional to the oil temperature. The EOT sensor signal voltage goes down when the engine oil temperature goes up and vice versa.
Code P0198 is set when the PCM detects a high engine oil temperature sensor signal. This usually indicates an open circuit.

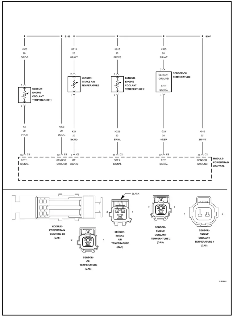
P0198 wiring diagram
Related engine oil temperature sensor trouble codes include:
- P0195: Engine Oil Temperature Sensor Malfunction
- P0196: Engine Oil Temperature Sensor Range/Performance
- P0197: Engine Oil Temperature Sensor Low
- P0199: Engine Oil Temperature Sensor Intermittent
What Are The Symptoms Of The P0198 Code?
Symptoms of a P0198 engine code may include:
- Illuminated Check Engine Light
What Are The Potential Causes Of The P0198 Code?
Possible causes for this P0198 code include:
- Engine cooling system problems
- Wiring problems
- Faulty engine oil temperature sensor
- Faulty PCM
How Serious Is This P0198 Code?
The severity of these codes is moderate to severe. In some cases, these codes set along with coolant temperature codes, can indicate an engine overheat condition. It’s a good idea to address this code as soon as possible.
How Can You Fix The P0198 Code?
Begin by visually inspecting the engine oil temperature sensor and the corresponding wiring. Look for loose connections, damaged wiring, etc. If damage is found, repair as necessary, clear the code and see if it returns.
Next, check for technical service bulletins (TSBs) regarding the issue. If nothing is found, you will need to move forward to step by step diagnosis of the system.
The following is a generalized procedure, as testing for this code varies between vehicles. To accurately test the system, you’ll want to refer to the manufacture’s diagnostic flow chart.
Check for proper cooling system operation: Check that the engine reaches and maintains a proper operating temperature. If the engine overheats or does not warm up as designed, there is a problem with the cooling system that should be addressed prior to any further testing. Cooling system DTCs being set along with an engine oil temperature sensor DTC, also indicate a potential problem with the cooling system.
Do some preliminary circuit testing: Use a scan tool to monitor the engine oil temperature sensor data parameter. Disconnect the EOT sensor; the scan tool value should drop to a very low value. Next, connect a jumper wire across the terminals. If the scan tool now displays a very high temperature, the connections are sound and the ECM can recognize the input. This means the problem is most like the sensor and not a circuit or PCM problem.
Test the sensor: Disconnect the engine oil temperature sensor connector. Next, measure the resistance between the two sensor terminals using a digital multimeter set to ohms. Start the engine and watch the meter value; the values should decrease smoothly as the engine warms up (check the engine temperature gauge on the dash to ensure the engine reaches operating temperature).
If engine temperature increases but EOT resistance does not decrease, the sensor is faulty and should be replaced. Note: most manufactures have resistance/temperature charts in their service information to aid in the diagnostic process.
Check the circuit:
- Check the reference voltage side of the circuit: with the ignition on, use a digital multimeter set to volts to check for a 5-volt reference from the PCM at one of the two engine oil temperature sensor sensor terminals. If no reference signal is present, connect the meter set to ohms (with the ignition off) between the reference voltage pin on the EOT and the reference voltage pin on the PCM. If the meter reads out of limits (OL) there is an open circuit between the PCM and sensor that will need to be located and repaired. If the meter reads a numeric value, there is continuity. If everything is good up to this point, you’ll want to check that there is 5-volts coming out of the PCM at the reference voltage terminal. If there is not a 5-volt reference from the PCM, the PCM is probably faulty.
- Check the ground signal side of the circuit: connect the meter set to ohms (with the ignition off) between the ground terminal on the engine oil temperature sensor and the ground terminal on the PCM. If the meter reads out of limits (OL) there is an open circuit between the PCM and sensor that will need to be located and repaired. If the meter reads a numeric value, there is continuity. Finally, check that the PCM has a good ground by attaching one meter lead to the PCM ground terminal and the other to chassis ground. Once again, If the meter reads out of limits (OL) there is an open circuit between the PCM and ground that will need to be located and repaired.
Recommended Parts
Below are some recommended auto parts to help you address the trouble code affecting your vehicle and get it running smoothly again:
>>> Twippo 372Pcs Waterproof Wire Connectors Kit
>>> INNOVA 5210
>>> KAIWEETS Digital Multimeter
Note: During the purchasing process, please check carefully whether the part you want to buy fits your car!
Check This Video For Reference
Reference Sources
ENGINE CONTROL SYSTEM [GASOLINE ENGINE (V-6)] SERVICE MANUAL for P0198 – Pages 489-490.
