P2607: Intake Air Heater "B" Circuit Low
Is your scanner showing P2607?
						No worries. We'll show you what it means and how to deal with it.
P2607: Intake Air Heater "B" Circuit Low
OVERVIEWWhat Does The P2607 Code Mean?
This generic powertrain diagnostic trouble code (DTC) typically applies to all OBD-II equipped vehicles that have an air intake heater, including but not limited to Chevrolet (Duramax), Ford (Powerstroke), Honda, Nissan, Dodge, etc.
This code is one of a number of possible codes that are associated with an intake air heater circuit “B” malfunction. An intake air heater is an essential component for a diesel engine to assist the starting process. The four codes that the Powertrain Control Module (PCM) may set for intake air heater “B” circuit issues are P2605, P2606, P2607, and P2608.
What is the purpose of an air intake heater?
The intake air heater “B” circuit is designed to operate the components that provide warm air to facilitate diesel engine starting and idling at various temperatures. The typical intake air heater circuit incorporates a heater element, relays, temperature sensor and at least one blower. Air ducts are also needed to route the warm air to the intake and electrical connections and wiring control the operation of these components.
Trouble code P2607 is triggered by the PCM when it a low signal from the intake air heater “B” circuit. The circuit may be out of range, contain a faulty component or have improper airflow. Various malfunctions within the circuit may be present and can be physical, mechanical or electrical. Refer to a vehicle specific repair manual to determine which is the “B” circuit for your particular vehicle.

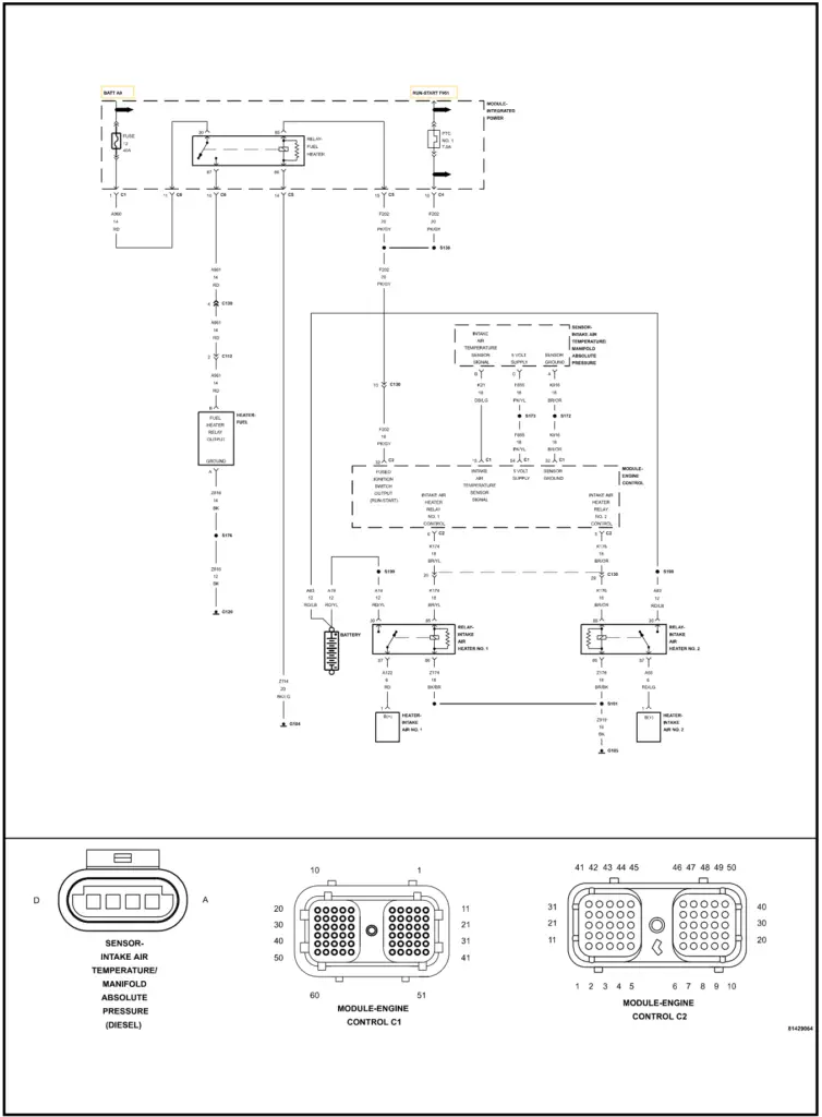
P2607 wiring diagram
What Are The Symptoms Of The P2607 Code?
Symptoms of a P2607 diagnostic trouble code may include:
- Engine will not start
 - Longer than normal cranking time
 - Check Engine Light illuminated
 - Rough idle at cold temperatures
 - Engine stalls
 
What Are The Potential Causes Of The P2607 Code?
Typically, potential causes for this code include:
- Faulty heater element relay
 - Detective heater element
 - Faulty temperature sensor
 - Corroded or damaged connector
 - Damaged or restricted air duct
 - Faulty or damaged wiring
 - Defective Blower motor
 - Faulty PCM
 
How Serious Is This P2607 Code?
The severity of this code is normally moderate, but can be severe based on the specific malfunction.
How Can You Fix The P2607 Code?
The first step in the troubleshooting process for any malfunction is to research the Technical Service Bulletins (TSB) for the specific vehicle by year, model and power plant. In some circumstances this can save a lot of time in the long run by pointing you in the right direction.
The intake air heating circuit might not work automatically if the ambient air or engine temperature is above the limit set by the manufacturer. The circuit should activate if it is commanded “ON” with a scanner, or if power is applied manually.
Basic Steps
- Check the heater element, is it turning “ON”NOTE: Do not touch element or heat shield
 - Check the blower motor, is it turning “ON”
 - Visually inspect the circuit connections and wiring for obvious defects
 - Visually inspect the condition of the air ducts for obvious defects
 - Check electrical connections for security and corrosion
 
Advanced Steps
Advanced steps become very vehicle specific and require the appropriate advanced equipment to perform accurately. These procedures require a digital multi meter and the specific technical references for the vehicle. Voltage requirements will very based of the specific year, model and the diesel engine in the vehicle.
Specific Checks:
Note: On applications that have Mass Airflow sensors, the intake air temperature sensor is incorporated into the sensor body. Consult technical data to determine the correct pins associated with the sensor.
Specific checks must be performed using the troubleshooting guidelines for the specific vehicle using the technical manual or online reference material. These steps will guide you through the process of checking the power and ground to each component within the intake air heater circuit in the proper sequence.
If the voltage is correct to a component that is not functioning, that component is most likely defective and requires replacement. If power is not available to operate the circuit, continuity checks may be needed to identify faulty wiring or components.
Hopefully, the information in this article has been helpful to point you in the right direction to correct the problem with your intake air heater circuit malfunction. This article is strictly informational and the specific technical data and service bulletins for your vehicle should always take priority.
Recommended Parts
Below are some recommended auto parts to help you address the trouble code affecting your vehicle and get it running smoothly again:
Note: During the purchasing process, please check carefully whether the part you want to buy fits your car!
Reference Sources
P2607 Intake Air Heater B Circuit Low, OBD-Codes.
