P2016: Intake Manifold Runner Position Sensor / Switch Circuit Low Bank 1
Is your scanner showing P2016?
No worries. We'll show you what it means and how to deal with it.
P2016: Intake Manifold Runner Position Sensor / Switch Circuit Low Bank 1
OVERVIEWWhat Does The P2016 Code Mean?
This generic powertrain/engine diagnostic trouble code typically applies to fuel injected engines from most manufacturers since 2003.
Those manufacturers include but are not limited to Ford, Dodge, Toyota, Mercedes, Volkswagen, Nissan and Infiniti.
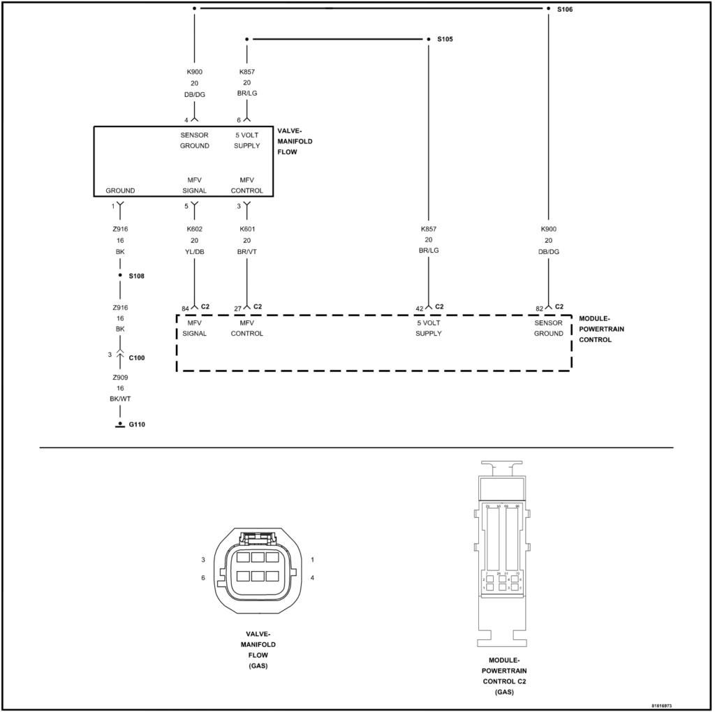
This code is mostly concerned about the value provided by the intake manifold flow control valve/position sensor, also called known as a IMRC valve/sensor (typically located at one end of the intake manifold) which helps the vehicle’s PCM control the amount of air being allowed into the engine at various RPMs.
This code is set for Bank 1, which is the bank of cylinders that includes cylinder number 1. This is an electrical circuit fault, no matter the vehicle manufacturer and fuel system.
Troubleshooting steps may vary depending upon manufacturer, type of fuel system and the type of intake manifold runner control valve/position (IMRC) sensor and wire colors.

P2016 wiring diagram
What Are The Symptoms Of The P2016 Code?
Symptoms of a P2016 engine code may include:
- Malfunction Indicator Lamp (MIL) illuminated
- Lack of power
- Poor fuel economy
What Are The Potential Causes Of The P2016 Code?
Typically, the causes for this code to set are:
- Faulty IMRC actuator relay (if equipped)
- Faulty IMRC actuator/sensor
- Rarely – faulty Powertrain Control Module (PCM)(programming required after replacement)
How Can You Fix The P2016 Code?
Step 1
A good starting point is always to check for technical service bulletins (TSB) for your particular vehicle. Your issue may be a known issue with a known fix put out by the manufacturer and can save you time and money during diagnosis.
Step 2
The next step in this process is to locate the IMRC valve/sensor on your particular vehicle. Once located, visually inspect the connectors and wiring. Look for rubbing, scraping, bare wires, worn spots or melted plastic connectors. Pull the connectors apart and carefully look at the terminals (the metal parts) inside the connectors. Check to make sure they are not burnt or corroded.
If in doubt, get some Electrical Contact cleaner at any parts store if cleaning of the terminals is needed. If not possible, get some rubbing alcohol and a small plastic bristle brush (worn out tooth brush) to clean them. Once cleaned, let them air dry. Pack the connector cavity with dielectric silicone compound (same stuff they use for light bulb sockets and spark plug wires) and reassemble.
Step 3
If you have a scan tool, clear the diagnostic trouble codes from memory, and see if this code returns. If it does not, then the connections were most likely your problem.
Step 4
If the code does return, we will need to test the IMRC valve voltage signals to and from the PCM. Monitor IMRC valve voltage on your scan tool. If a scan tool is not available, then test the signal going to the IMRC valve with a digital volt ohm meter (DVOM). With the valve disconnected, the red voltmeter lead should be attached to the IMRC valve power wire and the black voltmeter lead connected to ground.
Turn the ignition switch to the “run” position and check for voltage. It should be pretty close to battery voltage (12 volts). If not, then this is the circuit that has the problem. If it does have 12 volts, reconnect the wires to the valve and check for voltage on the ground wire (PCM control wire). It too should be pretty close to battery volts as well. If not, then the IMRC valve/solenoid is suspected to be open/shorted at this time.
Step 5
If all testing has passed so far yet you still have the same code, check your scan tool and see if it can open and close the IMRC valve. This may be called an “Actuator Test”, “Bi-Directional Test” or a “Functional Test” depending upon scan tool / vehicle manufacturer.
If the scan tool has that capability, and the scan tool can operate the IMRC valves, then the problem is either resolved and a simple code clearing is all that’s left or a new PCM would be called for. If the scan tool has the capability but is unable to move the valves, either a defective ground circuit between the valve and the PCM is indicated, or a defective PCM.
It cannot be stressed enough that once the first step or two of diagnosis occurs and the problem is not obvious, it would be a wise decision to consult with an automotive professional regarding the repair of your vehicle, as the repairs from there forward may require the removal of the intake manifold in order to correctly diagnose this code and the engine performance related issue.
Recommended Parts
Below are some recommended auto parts to help you address the trouble code affecting your vehicle and get it running smoothly again:
Note: During the purchasing process, please check carefully whether the part you want to buy fits your car!
Reference Sources
P2016 Intake Manifold Runner Position Sensor / Switch Circuit Low Bank 1, OBD-Codes.
