P0654: Engine RPM Output Circuit Malfunction
Is your scanner showing P0654?
No worries. We'll show you what it means and how to deal with it.
P0654: Engine RPM Output Circuit Malfunction
OVERVIEWWhat Does The P0654 Code Mean?
A stored code P0654 means that the powertrain control module (PCM), or one of the other related controllers, has detected a discrepancy in the engine RPM (revolutions per minute) output circuit.
The engine RPM output circuit is responsible for providing an engine RPM output signal to the instrument panel tachometer and other controllers. The PCM receives engine RPM data from the engine camshaft and crankshaft sensors. This data is used primarily for calculating and monitoring engine drivability then output to the tachometer and other controllers (to which it is instrumental).
If a problem is detected in monitoring the engine RPM output circuit, a code P0654 will be stored and a malfunction indicator lamp (MIL) may be illuminated.

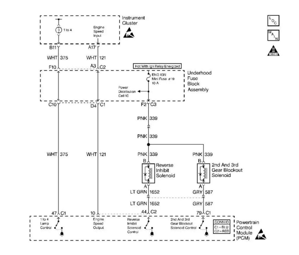
P0654 wiring diagram
What Are The Symptoms Of The P0654 Code?
Symptoms of a P0654 trouble code may include:
- Erratic or harsh transmission shifting
- ABS or TCS problems
- Engine drivability issues
- Stored ABS and TCS codes
What Are The Potential Causes Of The P0654 Code?
Causes for this code may include:
- PCM programming error
- Faulty controller or PCM
- Open or shorted circuit between the PCM and the instrument panel or other controllers
How Serious Is This P0654 Code?
A P0654 should be categorized as severe because it could result in transmission shifting issues and/or antilock brake system (ABS) and electronic traction control system (TCS) problems.
How Can You Fix The P0654 Code?
If there are vehicle speed sensor (VSS) codes, engine RPM input codes, camshaft position sensor, or crankshaft position sensor codes present; diagnose and repair those before attempting to diagnose a stored P0654.
Consult your vehicle information source for technical service bulletins (TSB) that replicate the code stored, vehicle (year, make, model, and engine), and symptoms exhibited. If you find the appropriate TSB, it may yield helpful diagnostic information.
A diagnostic scanner, a digital volt/ohmmeter, and an oscilloscope will be necessary to accurately diagnose a code P0654. A reliable source of vehicle information will also be required.
Retrieve All Stored Codes
Begin by connecting the scanner to the vehicle diagnostic port and retrieving all stored codes and freeze frame data. You will want to write this information down, just in case the code proves to be an intermittent one.
Clear The Codes And Test Drive
After recording all pertinent information, clear the codes and test drive the vehicle (if possible) until the code is reset or the PCM enters readiness mode.
If the PCM enters readiness mode, the code is intermittent and will be even more difficult to diagnose. The condition, which caused the P0654 to be stored, may need to worsen before an accurate diagnosis can be reached.
On the other hand, if the code fails to reset and there are no drivability symptoms exhibited, the vehicle can be operated normally.
Visually Inspect The Related Wiring And Harnesses
If the P0654 is immediately reset, proceed with a visual inspection of system related wiring and connectors. Harnesses that have been broken of unplugged should be repaired or replaced as required.
If wiring and connectors appear functional, use your source of vehicle information to obtain the appropriate wiring diagrams, connector face views, connector pin-out charts, and diagnostic flow charts.
Use Your DVOM And Oscilloscope To Test Engine RPM Output
Once you have the correct information, use your DVOM and oscilloscope to test engine RPM output at the appropriate pin of the PCM connector. If no RPM output signal is discovered, suspect that the PCM is defective or there is a PCM programming error.
If an engine RPM output signal is discovered at the PCM connector, test the corresponding circuit (as it is presented) at the instrument panel tachometer. If the tachometer signal is not discovered, you have an open circuit between the PCM and the instrument panel. Repair or replace the circuit and retest.
- If a code P0654 is stored and the tachometer is operational, suspect a defective PCM or a PCM programming error
Recommended Parts
Below are some recommended auto parts to help you address the trouble code affecting your vehicle and get it running smoothly again:
>>> WORKPRO 582-piece Crimp Terminals, Wire Connectors, Heat Shrink Tube, Electrical Repair Kit
>>> ECU
>>> INNOVA 5210
>>> KAIWEETS Digital Multimeter
Note: During the purchasing process, please check carefully whether the part you want to buy fits your car!
Reference Sources
P0654 Engine RPM Output Circuit Malfunction, OBD-Codes.
