P0645: A/C Clutch Relay Control Circuit
Is your scanner showing P0645?
No worries. We'll show you what it means and how to deal with it.
P0645: A/C Clutch Relay Control Circuit
OVERVIEWWhat Does The P0645 Code Mean?
The P0645 OBD-II trouble code is associated with the air conditioning (A/C) clutch relay control circuit. When the Powertrain Control Module (PCM) or one of the other supporting control modules has detected improper signals within the A/C clutch relay control electrical circuit, code P0645 will be set. Based on the vehicle and the specific malfunction this code may be set as many as eight times before the check engine light is illuminated.
The purpose of the A/C clutch relay control circuit is to control the operation of the air conditioning. This is accomplished by providing power to the A/C clutch to engage the A/C compressor. Based on the specific vehicle, this circuit can be very complex and include several control modules.
Code P0645 is set by the PCM when it detects a general malfunction in the air conditioning relay control circuit.

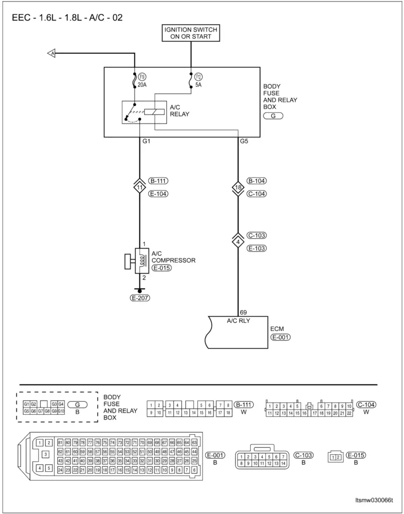
P0645 wiring diagram
What Are The Symptoms Of The P0645 Code?
Symptoms of a P0645 trouble code may include:
- A/C functioning poorly
- A/C not working at all
- Check engine light illuminated
What Are The Potential Causes Of The P0645 Code?
Causes for this P0645 code may include:
- Faulty A/C clutch relay
- Defective A/C clutch
- Broken control module ground strap
- Defective control module
- Blown fuse or fuse-able link (if applicable)
- Corroded or damaged connector
- Low or over serviced A/C system
- Faulty or damaged wiring
- Faulty A/C Compressor
- Faulty PCM
How Serious Is This P0645 Code?
The severity of this code can vary from just an illuminated check engine light with the air conditioning working fine to it running poorly or not at all.
How Can You Fix The P0645 Code?
The first step in the troubleshooting process for any malfunction is to research the Technical Service Bulletins (TSB’s) for the specific vehicle by year, model and power plant. In some circumstances this can save a lot of time in the long run by pointing you in the right direction.
The second step is a thorough visual inspection to check the associated wiring for obvious defects such as scraping, rubbing, bare wires, or burn spots. Next is to check the connectors and connections for security, corrosion and damaged pins. This process must include all wiring connectors and connections to components including control modules and ground straps. This circuit can be very complex and include several relays, fuse-able links and fuses in some circumstances.
Advanced Steps
The advanced steps become very vehicle specific and require the appropriate advanced equipment to perform accurately. These procedures require a digital multi meter and the specific technical references for the vehicle. Voltage requirements will very based on the specific year and model of the vehicle.
Voltage Checks
The voltage check process for this circuit requires troubleshooting guidelines that are specific and in the proper sequence. The optional equipment on the automobile involved will determine the troubleshooting requirements. More options and equipment effect the number of control modules involved in the troubleshooting process. Please reference the list of possible supporting control modules listed above.
If this process identifies the absence of a power source or ground, continuity testing may be required to check the integrity of the wiring, control modules and other components. All of the control module ground straps may need to be included in this process. Continuity tests should always be performed with the power removed from the circuit and the normal readings for wiring and connections should be 0 ohms of resistance unless otherwise specified by the technical data. Resistance or no continuity is an indication of faulty wiring that is open or shorted and must be repaired or replaced.
Recommended Parts
Below are some recommended auto parts to help you address the trouble code affecting your vehicle and get it running smoothly again:
>>> A/C Clutch Relay
>>> A/C Clutch
>>> A/C Compressor
>>> WORKPRO 582-piece Crimp Terminals, Wire Connectors, Heat Shrink Tube, Electrical Repair Kit
>>> ECU
>>> KAIWEETS Digital Multimeter
Note: During the purchasing process, please check carefully whether the part you want to buy fits your car!
Reference Sources
P0645 A/C Clutch Relay Control Circuit, OBD-Codes.
