P0643: Sensor Reference Voltage "A" Circuit High
Is your scanner showing P0643?
No worries. We'll show you what it means and how to deal with it.
P0643: Sensor Reference Voltage "A" Circuit High
OVERVIEWWhat Does The P0643 Code Mean?
When faced with a stored P0643 trouble code, I know from experience that the powertrain control module (PCM) has detected a high reference voltage condition for a particular sensor that has been given the label of “A” . I remember that the sensor in question has always been related to the automatic transmission, transfer case, or the front differential.
An additional sensor code will likely point me in the specific direction of the malfunction, with the P0643 adding that sensor “A” reference circuit voltage is too high. To determine the sensor location (and function), as it regards the vehicle in question, I’d consult a reliable vehicle information source like All Data DIY. Should the P0643 be stored alone, I would suspect that a PCM programming error has occurred. I always diagnose and repair any other sensor codes prior to diagnosing and repairing the P0643 – keeping the higher than normal reference voltage condition in mind – because it will usually disappear once other (more specific) sensor codes are rectified.
I realize that the sensor in question is normally supplied with reference voltage signal (typically five-volts) via a switched (energized with the key on) circuit and a ground signal. Familiarity dictates that the sensor is going to be of either the variable resistance or electromagnetic variety and that it will complete the circuit in question. As a rule, sensor resistance should decrease as pressure, temperature, or speed is increased and vice versa. As the resistance level of the sensor changes (with varying conditions) and circuit voltage responds; the PCM recognizes the voltage variations as changes in pressure, temperature, or speed. If the input voltage signal, received by the PCM, is higher than a programmed limit, a P0643 will be stored and a malfunction indicator lamp (MIL) may be illuminated.
Some models will require multiple drive cycles (with a failure) for the MIL to be illuminated. Good things happen when I allow the PCM to enter readiness mode before considering any repair successful. I clear the code, after repairs are performed, and drive the vehicle normally (before handing it back over to the customer). If the PCM enters readiness mode, the repair was successful. If the code is reset, the PCM will not enter readiness mode and I know that a malfunction is still present.

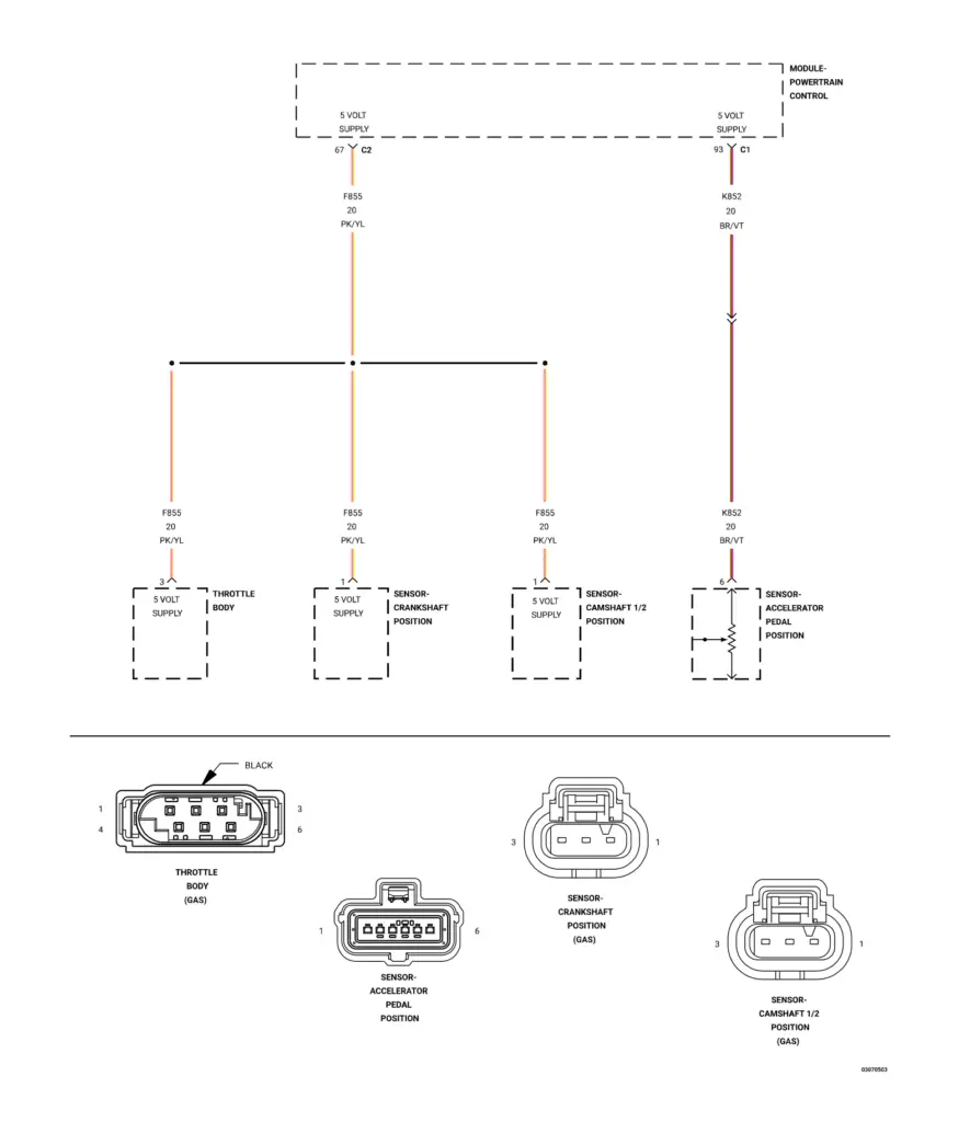
P0643 wiring diagram
What Are The Symptoms Of The P0643 Code?
Symptoms of a P0643 code may include:
- Delayed (or no) transmission engagement
- Failure of the transmission to shift between sport and economy modes
- Transmission shifting malfunctions
- Failure of the transmission to switch between all-wheel and two-wheel drive modes
- Failure of the transfer case to shift from low to high gear
- Lack of front differential engagement
- Lack of front hub engagement
- Erratic or inoperative speedometer/odometer
What Are The Potential Causes Of The P0643 Code?
Possible causes for this engine code include:
- Shorted (to voltage) circuits and/or connectors
- Bad sensor
- Defective PCM or PCM programming error
How Serious Is This P0643 Code?
The urgency of a stored P0643 depends upon which sensor circuit is experiencing a high reference voltage condition. Accompanying codes must be considered before the degree of severity can be determined.
How Can You Fix The P0643 Code?
Before beginning my diagnosis for a P0643, I like to have a diagnostic scanner, a digital volt/ohmmeter (DVOM), and a reliable vehicle information source (like All Data DIY). I have also discovered that a portable oscilloscope can be helpful in this diagnosis.
I would start by consulting my vehicle information source to determine the location and function of the sensor, as it relates to the vehicle in question. I might continue by performing a visual inspection of sensor circuit related wiring harnesses and connectors. I’d repair or replace damaged or burned wiring, connectors, and components as required.
Next, I like to connect the scanner to the vehicle diagnostic port and retrieve all stored trouble codes and freeze frame data. I write the codes down, along with the order in which they were stored and any related freeze frame data, as this information may prove helpful if the code turns out to be intermittent. Now I would go ahead and clear the codes and test drive the vehicle to see if it is reset.
If the code is immediately reset, I would use the DVOM to test reference voltage and ground signals at the sensor in question. I would expect to find five-volts and a ground at the sensor connector.
I’d likely continue by testing sensor resistance and continuity levels, if the voltage and ground signals are present at the sensor connector. I can get the specs from my vehicle information source and compare my actual findings to them. Sensors that don’t comply with these specs will need to be replaced.
I always disconnect all related controllers from system circuits prior to testing resistance with the DVOM because I know that failure to do so may result in PCM damage. If reference voltage is high (at the sensor), use the DVOM to check circuit resistance and continuity between the sensor and the PCM. Replace shorted circuits as necessary.
If the sensor in question is electromagnetic with a reciprocating signal, use the oscilloscope to monitor live data. Focus on spikes, glitches, and maxed out circuits.
Additional diagnostic notes:
- This type of code is generally provided as support for a more specific code
- A stored code P0643 is normally associated with the drivetrain
Reference Sources
Diagnostic Trouble Code (DTC) Charts and Descriptions for P0643 – Page 96.
