P0571: Cruise Control/Brake Switch A Circuit Malfunction
Is your scanner showing P0571?
No worries. We'll show you what it means and how to deal with it.
P0571: Cruise Control/Brake Switch A Circuit Malfunction
OVERVIEWWhat Does The P0571 Code Mean?
The ECM (engine control module), among many other modules, don’t only monitor different sensors and switches involved with the proper functionality of the engine but they also make sure to keep our creature comforts up and running (e.g. cruise control).
There are numerous factors that can alter the speed of your vehicle while you are driving down the road. Some of the new adaptive cruise control (ACC) systems actually adjusts vehicle speeds according to surroundings (e.g. passing, slowing for traffic, lane departure, emergency maneuvers, etc.).
That is beyond the point, with this fault, they are referring to the cruise control/brake switch “A” circuit malfunction. The proper operation of the brake switch is integral in the operation of your cruise control system. Given the fact that, one of many ways to disable or turn off cruise control is to depress the brake pedal, you will want to take care of this. Especially if you use cruise control in your day-to-day commuting. The letter designation in this case — “A” — may be referring to a specific wire, connector, harness, etc.
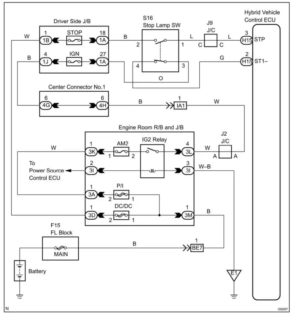
To determine which one this code refers to, you will need to check out the appropriate manufacturer-specific service manual. If you are having a hard time finding what you need, it’s always a good idea to look for a wiring diagram for the cruise control system. These diagrams, a lot of time, can provide you with valuable information (sometimes location, specifications, wire colors, etc.)
The P0571 Cruise Control/Brake Switch A Circuit Malfunction and related codes (P0572 and P0573) are set when the ECM (engine control module) detects a malfunction within the cruise control/brake switch “A” circuit.

P0571 wiring diagram
What Are The Symptoms Of The P0571 Code?
Symptoms of a P0571 diagnostic code may include:
- Cruise control completely inoperative
- Erratic cruise control operation
- Certain functions not operating as they should (e.g. set,resume, accel., etc.)
- Cruise control turning on but not engaging
- No brake lights if the brake light switch is faulty
What Are The Potential Causes Of The P0571 Code?
Causes for this P0571 cruise control code may include:
- Cruise control/Brake switch defective
- Wiring issue (e.g. pinched on brake pedal, chafed, etc.)
- ECM (engine control module) issue (i.e. internal short, open, etc.)
- Debris/dirt mechanically hindering brake switch operation
- Brake switch not adjusted properly
- Brake switch out of it’s mount
How Serious Is This P0571 Code?
Usually, with cruise control systems, I would say severity is set to low. But in this case, I will go with moderately-severe. The fact that there is a possibility of this fault causing the brake switch to malfunction, or vice-versa, is a significant concern.
One of the other functions of your brake switch is to provide the signal to turn on your rear brake lights to inform fellow drivers of your deceleration/braking. Having said that, it’s operation is pretty important when overall driver safety is considered.
How Can You Fix The P0571 Code?
The first step in the troubleshooting process for any malfunction is to research the Technical Service Bulletins (TSB) for known issues with the specific vehicle.
Advanced diagnostic steps become very vehicle specific and may require the appropriate advanced equipment and knowledge to perform accurately. We include basic steps below but refer to a vehicle year/make/model/powertrain specific repair guide for specific steps for your vehicle.
Basic Step #1
First thing I would do in this case, is probably peek under the dash and take a look at the brake switch right away. It is usually mounted to the brake pedal arm itself. I have seen at times, driver’s foot break the switch completely off it’s mount so I mean, if it’s not mounted properly and/or it is completely broken, you will be able to tell immediately and potentially save yourself some time and shop fees.
So, that said, if this is the case, I would recommend replacing the cruise control/brake switch with a new one. Make sure to follow manufacturer specific brake switch installing and adjusting procedures to avoid damaging the sensor or even causing more issues.
Basic Step #2
Verify the circuit involved. Refer to a wiring diagram in your service manual to determine the color codes and designation for the cruise control/brake switch A circuit. A lot of times, to rule out the possibility of the fault being present in the harness itself, you can disconnect one end from the brake switch and the other from the ECM. Using a multimeter, there are numerous tests you can perform.
One common test is a continuity test. Manufacturer provided specifications are needed to compare the actual values to the desired ones. Generally speaking, you will be checking the resistance of the particular circuit to determine any opens, high resistance, etc present. If you are performing this test, it would be a good idea to inspect the pins in the connectors, switch, and ECM. Sometimes moisture can creep through and cause intermittent connections. If there is corrosion present, use electrical connection cleaner to remove before reconnecting everything.
Basic Step #3
Take a look at your ECM (engine control module). It is important to note, sometimes with cruise control, it is the BCM (body control module) that monitors and adjusts this system. Pinpoint which one your system uses and physically inspect for any water intrusion. Anything suspect here? bring vehicle to your reputable shop/dealer.
Recommended Parts
Below are some recommended auto parts to help you address the trouble code affecting your vehicle and get it running smoothly again:
>>> Cruise Control Switch
>>> Brake Switch
>>> Twippo 372Pcs Waterproof Wire Connectors Kit
>>> KAIWEETS Digital Multimeter
Note: During the purchasing process, please check carefully whether the part you want to buy fits your car!
Check This Video For Reference
Reference Sources
Diagnostic Trouble Code (DTC) Charts and Descriptions for P0571 – Page 88.
